32-bits at $0.10  


In the previous year, I conducted research on 8051 processors and stumbled upon WCH during my investigation. I was impressed to find that they offer a wide range of interesting 8051 microcontrollers, which feature host and device USB support and are reasonably priced. Recently, the vendor announced the release of their value-line RISC-V microcontrollers, further expanding their product offerings. I got my hands on some development kits and am eager to explore this further.

In light of the recent Chinese sanctions on semiconductor exports, the country has been seeking to secure its domestic industry. It appears that many vendors have shifted their focus from commercially-licensed cores that are subject to export controls, to architectures that fall outside the scope of these controls such as RISC-V. WCH in particular has been massively expanding its RISCV offering.

Upon examination of the part nomenclature and firmware library organization, it is evident that WCH has drawn inspiration from STMicroelectronics’ widely popular STM8 and STM32 product lines. This is not the first instance of such imitation, as GigaDevice has previously released similar clones of STM32 devices. The naming conventions utilized in WCH’s provided software development kit (SDK) bear a striking resemblance to those found in STM32 SDKs prior to the introduction of STM32Cube. A comprehensive analysis of this situation can be found in an article by Hackaday.

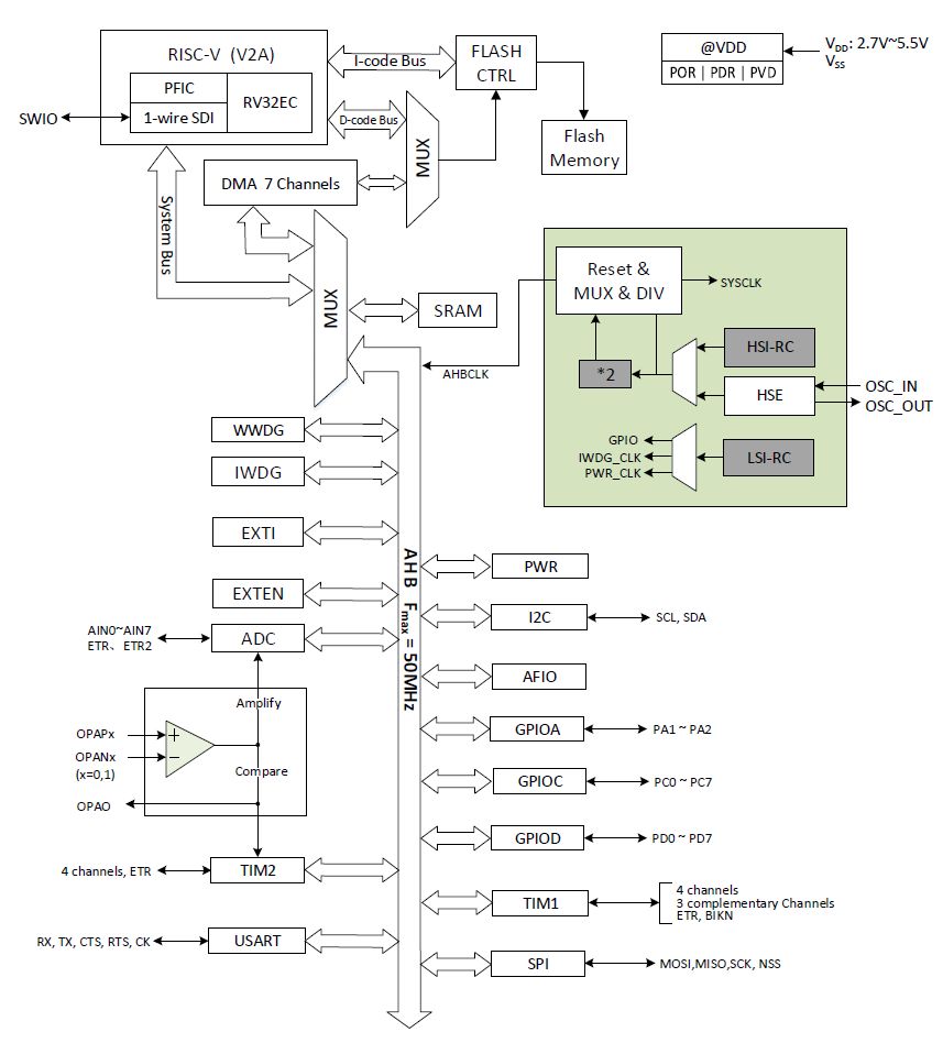
CH32V003 Block Diagram

The CH32V003 appears to be specifically designed as a replacement for the widely popular STM8S003-line, particularly in the low-cost 8-bit microcontroller market. Prior to the current silicon shortage, the STM8S003 series could be purchased for $0.2 in volume quantities. WCH seems determined to compete by offering a 32-bit alternative with double the flash and RAM at half the price, and running the internal oscillators at double the frequency. It will be necessary to conduct benchmarks to determine how the RISC-V code density compares to that of the STM8, in order to determine whether these features are advantageous or necessary. WCH’s offering also includes additional features such as a 64-bit unique ID and an integrated operational amplifier (although it is not gain programmable) that can be connected to the 10-bit ADC, which are notable additions compared to the STM8. Looking at the available package options this chip could also be used for other low-cost alternatives such as the NXP RS08 series, Microchip PIC10, or ATtiny. If this chip can be qualified for automotive applications the LIN support by the chip could reach even further into the Infineon or Renesas realm for body and motor-control applications.

CH32V003 Pinout

An additional advantage of WCH’s microcontroller offerings is the inclusion of a single-wire debug interface. This is a significant improvement over the ST-Link found on the STM8, which utilizes more pins. Additionally, the WCH chip has an integrated mask loader that allows for flashing the chip directly via UART, enabling efficient development with minimal additional costs. Although the recommended debug probe is available at a low retail price of under $5. To have broad support for many different product lines from WCH, get the WCH LinkE instead of the WCH Link. MounRiver, the recommended development environment has a built-in OpenOCD-port for that tool that allows for seamless debugging. The user community has been pushing WCH for source releases of that tool and the OpenOCD-port sources are maintained by Karl Palsson.

WCH Link Debug Features

The microcontrollers will soon be available for purchase on LCSC and can also be obtained in bulk directly from WCH. If the availability of these chips surpasses that of established vendors, it may be worth considering as a viable platform for development. WCH has been in business since 2004 and their 8051-product line has had a long and successful history. I believe that, if this chip gains wider adoption, it will have a lasting presence in the market. There is an active community on Discord. In upcoming blog posts, I will be examining the development environment, debugging options, low-power modes, setting up continuous integration using hardware-in-the-loop simulation, code-density benchmarks, and designing a custom PCB for the samples provided in the development kit.


Published: 2023-01-21
Updated  : 2025-10-04
Not a spam bot? Want to leave comments or provide editorial guidance? Please click any of the social links below and make an effort to connect. I promise I read all messages and will respond at my choosing.
← Fixing a built-in Oven and Plyometrics Retooling for 2023 →